0 руб.
Оформить заказ
- Производитель: Shuft
- Модель: Вентилятор канальный круглы...
- Артикул: 51166
- Наличие: Под заказ (предоплата)
16 880 руб.
Основные характеристики
Все характеристики
Диаметр (мм):
200
Производительность max (м3):
960
Мощность max (Вт):
148
Частота вращения max (об/мин):
2640
Уровень шума max (дБ):
70
Оплата товара
Принимаем оплату online
Доставка
Быстрая доставка по всей России
Гарантии
Официальная гарантия от производителей Оригинальная продукция Проверенные производители
- Обзор товара
- Характеристики
- Информация
- Отзывов (0)
Вентилятор CFW 200 предназначен для создания вытяжной вентиляции жилых, общественных и производственных помещений.
Отличительные особенности
- Прочный корпус из оцинкованной стали с порошковой окраской.
- Мотор-колесо Ziehl-Abegg.
- Высокоэффективная крыльчатка с загнутыми назад лопатками.
- Высококачественные асинхронные двигатели с внешним ротором IP44, клеммная коробка IP55.
- Рабочее колесо установлено методом напрессовки непосредственно на ротор электродвигателя. Электродвигатель с рабочим колесом статически и динамически сбалансированы в двух плоскостях.
- Регулирование скорости 0–100 % путем изменения напряжения (тиристорные или автотрансформаторные регуляторы).
- К одному регулятору можно подключить несколько вентиляторов при условии, что общий ток вентиляторов не превышает номинальный ток регулятора.
- Шариковые подшипники двигателя не требуют специального техобслуживания.
- Двигатели имеют встроенное термореле с автоматическим перезапуском.
- Установка на стену (окно) в любом положении.
Монтаж
Вентиляторы поставляются готовыми к подключению. Могут устанавливаться в любом положении, в соответствии с направлением потока воздуха (в соответствии со стрелкой на корпусе вентилятора). Необходимо предусматривать доступ для обслуживания вентилятора.
Не допускается:
- Монтировать в помещениях, где воздух содержит «тяжелую» пыль, муку и т. п.
- Монтировать во взрыво и пожароопасных помещениях.
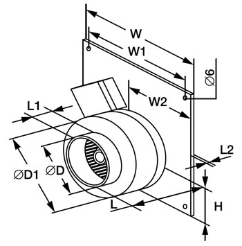
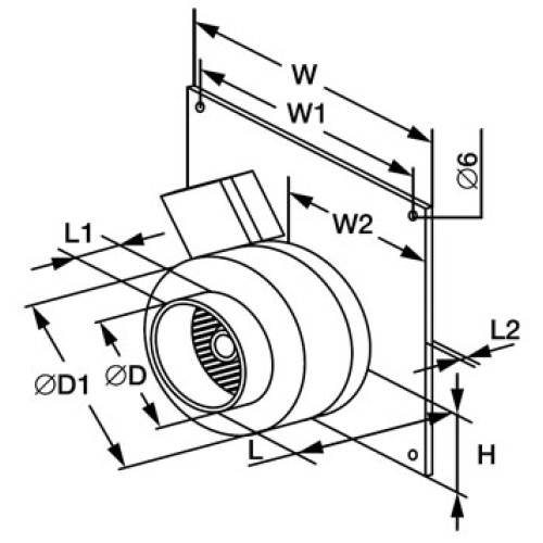
Характеристики
3-2) Канальные полупромышленные и промышленные вентиляторы
Диаметр (мм)
200
Производительность max (м3)
960
Мощность max (Вт)
148
Частота вращения max (об/мин)
2640
Уровень шума max (дБ)
70
Ток max (А)
0,67
Класс защиты (IP)
44
Давление max (Па)
560
Напряжение (В)
220
Температура воздуха min (С)
-20
Температура воздуха max (С)
+80
Отзывов (0)
Нет отзывов о данном товаре.
Нет вопросов о данном товаре, станьте первым и задайте свой вопрос.


