0 руб.
Оформить заказ
- Производитель: Shuft
- Модель: Вентилятор EC канальный Shu...
- Артикул: 51603
- Наличие: Под заказ (предоплата)
46 450 руб.
Основные характеристики
Все характеристики
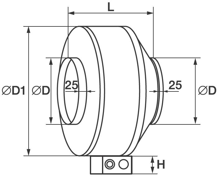
Диаметр (мм):
200
Производительность max (м3):
1250
Мощность max (Вт):
160
Частота вращения max (об/мин):
3100
Уровень шума max (дБ):
48
Оплата товара
Принимаем оплату online
Доставка
Быстрая доставка по всей России
Гарантии
Официальная гарантия от производителей Оригинальная продукция Проверенные производители
- Обзор товара
- Характеристики
- Информация
- Отзывов (0)
Назначение
Вытяжная и приточная вентиляция.
Применение
Помещения бытового, общественноо административного, промышленного назначения.
Конструкция и материалы
- Разъемный корпус из оцинкованной стали.
- Крыльчатка с за¬гнутыми назад лопатками.
- Двигатели с внешним ротором
- Электродвигатель с рабочим колесом статически и динамически сбалансированы в двух плоскостях.
- Шариковые подшипники двигателя не требуют специального обслуживания.
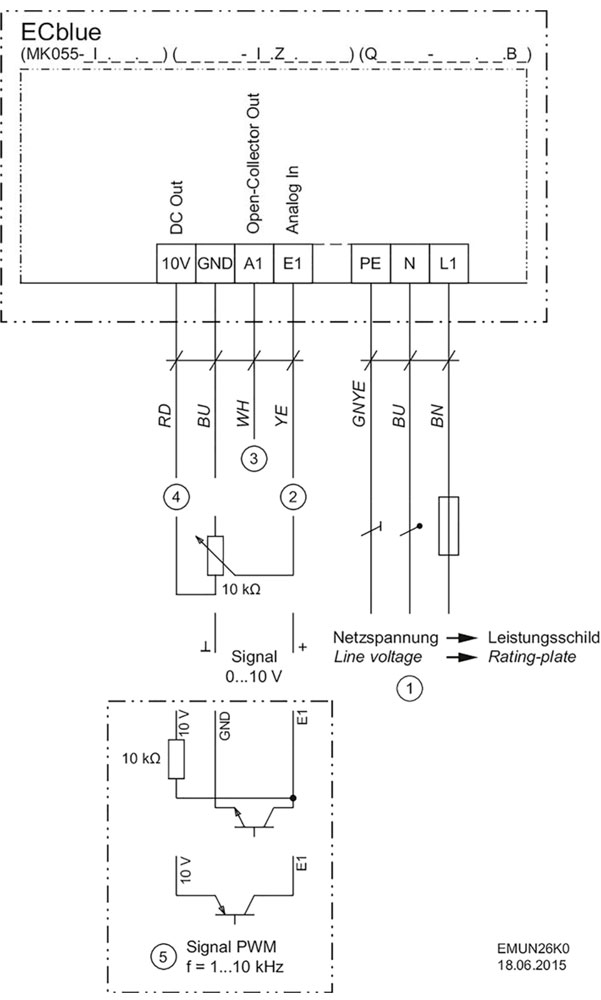
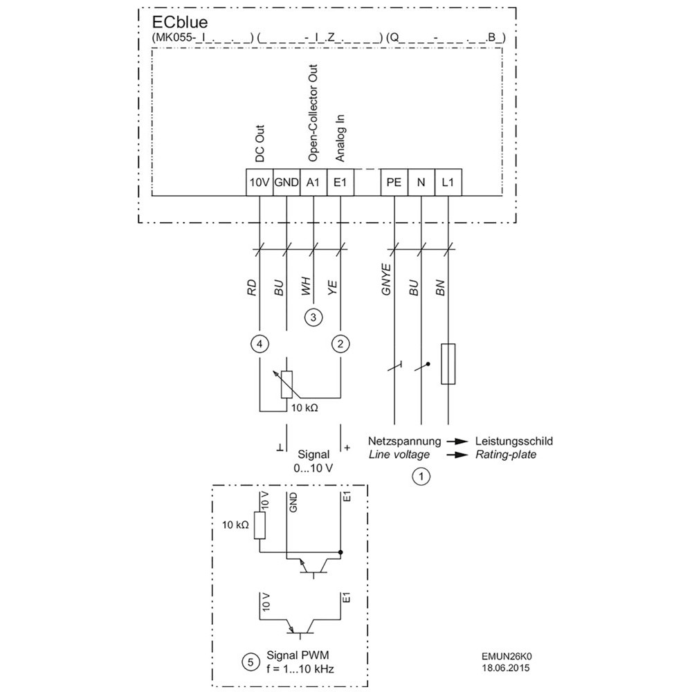
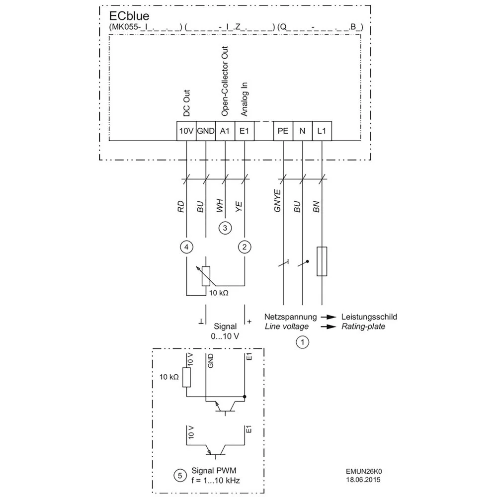
Регулирование производительности
- по сигналу 0-10В
- установка скорости встроенным триммером или с помощью внешнего регулятора(опция)
Монтаж
В любом положении.
Преимущества
- Энергоэффективный EC-двигатель Ziehl-Abegg
- сниженное энергопотребление
- низкий уровень шума
- повышенный ресурс - 40 000 часов
- защита двигателя IP54 - Встроенный триммер установки скорости
- Стойкий к коррозии стальной корпус изготовлен по технологии ротационной вытяжки:
• повышенные прочность и герметичность.
• минимальный уровень шума
• оптимальные аэродинамические характеристики. - Вентилятор, подключенный к воздуховоду, может быть установлен снаружи или во влажном помещении.
Характеристики
3-2) Канальные полупромышленные и промышленные вентиляторы
Диаметр (мм)
200
Производительность max (м3)
1250
Мощность max (Вт)
160
Частота вращения max (об/мин)
3100
Уровень шума max (дБ)
48
Ток max (А)
1,2
Класс защиты (IP)
44
Давление max (Па)
750
Напряжение (В)
220
Температура воздуха min (С)
-30
Температура воздуха max (С)
+60
Отзывов (0)
Нет отзывов о данном товаре.
Нет вопросов о данном товаре, станьте первым и задайте свой вопрос.



